在这个快节奏的社会,每天拖着疲惫的身体回到别人的房子(租的)
能吃上一顿热腾腾的饭菜,确实是一件幸福的事情

谈到吃饭,就离不开厨具
常用来做饭的厨具就属煤气灶和电磁炉了
电磁炉作为常用电器,还是有必要了解一下的

电磁炉

电磁炉电路板
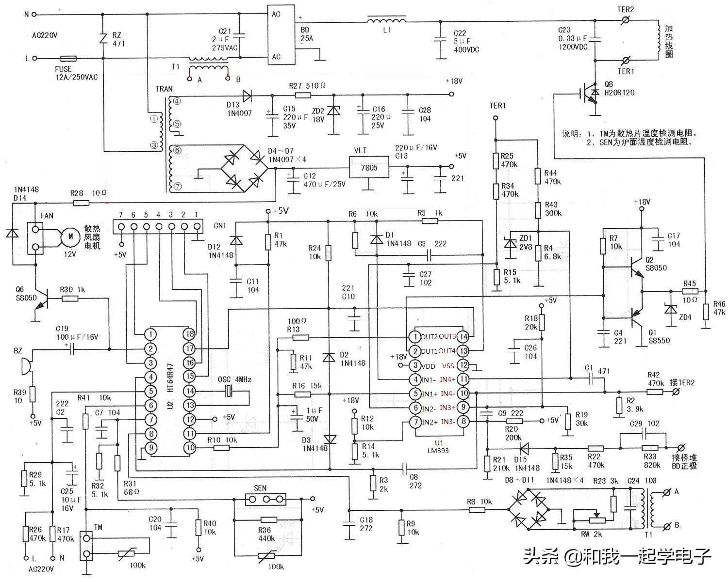
同学们是不是一看到这么大一张原理图,一下子就不知从哪里下手分析了

电磁炉电路原理图
没关系,今天作者就和大家一起
从基本的电磁炉工作原理开始,和大家一步一步搭建完整的电磁炉电路
1.电磁炉工作原理
电磁炉利用加热线圈产生高频电磁,电磁耦合到铁锅上,形成涡流,产生热量

电磁炉工作原理
2.最基本的电磁炉电路
通过工作原理我们知道,只要铁锅能感应到电磁,就可以形成涡流,产生热量

只要我们快速按下松开开关,加热线圈就会导通和关断,产生电磁
3.功率开关代替麒麟臂
显然,一个手炒菜一个手按开关是不怎么现实的

功率开关IGBT

功率开关IGBT
通过加入功率开关代替人手,图中C23是谐振电容,因为谐振时线圈自身损耗最小,能量全部传到铁锅
4.产生PWM驱动IGBT
IGBT驱动是需要驱动电流的,通过运放LM339产生的驱动电流显然是不够的,所以加入IGBT驱动电路

电路原理图

控制芯片
控制芯片HT64R47和运放LM339以及外围电路共同产生和控制PWM
5.电路工作总是离不开电源
电路工作是离不开电源的,图中使用工频变压器整流,线性芯片稳压,为内部电路提供+18V和+5V电源

电源部分

电源部分可以使用开关电源代替也是可以的,只要能提供合适的电压和电流
6.发热的器件需要散热
IGBT工作在高速开关状态,产生开关损耗,有损耗就有热量产生
整流桥有压降,流过电流也大,产生的热量也是不可估量的

散热部分电路

散热风扇
散热风扇通过主控芯片提供控制信号,达到电磁炉关机后再继续运转一段时间的效果
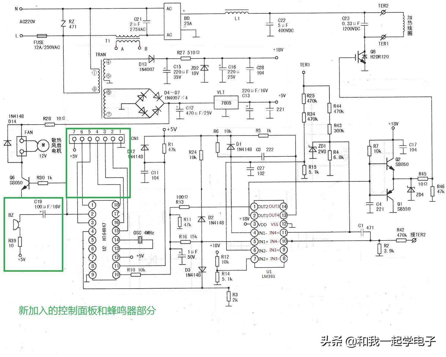
7.引入控制面板
使用者需要控制锅的温度,并且要显示出来

部分电路

控制面板
蜂鸣器利用电容隔直通交特性,控制芯片产生方波输出时就发出声音
8.检测温度需要温度测量电路
温度测量电路为控制芯片提供了温度参考,实时监测锅的温度,和防止功率器件过热

温度检测部分电路

在发热盘上的热敏电阻
温度检测通过热敏电阻分压后送入控制芯片进行计算
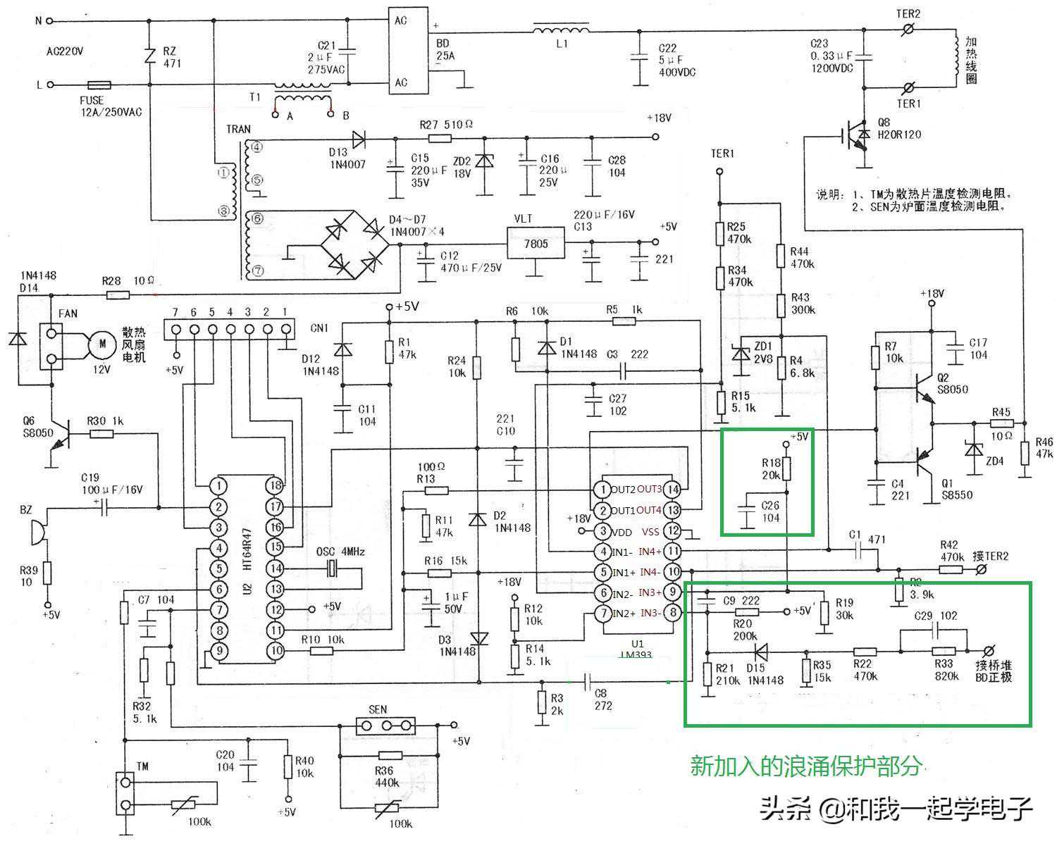
9.防止浪涌损坏IGBT
电磁炉在工作时,铁锅离开炉面和放到炉面上时都会产生浪涌
浪涌会冲击IGBT,所以加入浪涌保护电路是必不可少的

浪涌部分保护电路
通过运放LM393的运放3,比较功率部分产生的浪涌,调节PWM和送入控制芯片的17脚实现浪涌保护
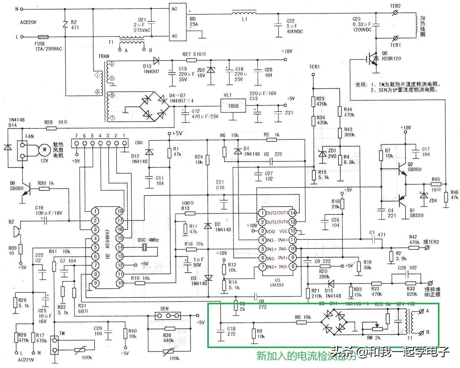
10.检锅和功率不足检测电路
有锅时,预期的PWM脉宽总是对应着一个输入功率(既输入电流)

电流检测部分
通过交流互感器T1产生感应电流,经二极管整流滤波后送人主控芯片8脚计算输入电流,实现检锅和功率不足检测
版权声明:本站所有作品(图文、音视频)均由用户自行上传分享,仅供网友学习交流,不声明或保证其内容的正确性,如发现本站有涉嫌抄袭侵权/违法违规的内容。请举报,一经查实,本站将立刻删除。