例1:海尔MRV-KTR-28Q四面出风嵌入式空调器制冷时,室内机噪声异常。
案例分析:在现场观察,试机前3min和送风模式下没有异常声音,当压缩机启动后,室内蒸发器出现异常的制冷剂气流声。检査室内蒸发器输出管,两个低压管的3/4处变扁。
维修方法:更换连接管,制冷剂流动畅通,即异常噪声消除。
温馨提示:岀现制冷流动声,可确定制冷剂流通不畅,连接管严重弯扁。管道一定要采用原来公司提供的装配管,在弯曲时也要注意均匀用力,逐段弯曲,避免出现硬弯。
例2:海尔MRV-KTR-28Q四面出风嵌入式空调器移机后不制冷。
案例分析:试机观察开关板显示正常,室外机启动数分钟后停机。用万用表判断电源电压正常。用压力表测低压端压力,室外机刚启动时,压力正常,然后压力逐渐降低,回气减少,压缩机得不到充分冷却,经仔细观察,发现室外机运行一段时间后,电子膨胀阀有“结霜”现象。由此判断该机有“冰堵”或“脏堵”故障。
维修方法:经重新抽真空、干燥,加注制冷剂后,试机正常。
温馨提示:空调不制冷,一般都是因“缺制冷剂”所致。或者是由于安装人员在安装时,操作不规范,系统内进入潮湿的空气,从而导致压缩机频繁停机。
例3:海尔MRVKTR-28Q四面出风嵌入式空调器通电后频繁开机。
案例分析:在现场仔细判断压缩机电流,回气压力和电压都符合要求,而且同楼内有相同型号的空调器,也能正常运行,所以排除电源供电故障。
检查室内机蒸发器管温传感器上的封胶,发现有裂口,感温传感器阻值改变,导致压缩机在工作一段时间后停机,无任何故障代码显示,这种软故障不易判断故障点。
维修方法:更换管温传感器,试机故障排除。
例4:海尔MRV-KTR-28Q四面出风嵌入式空调器室外机时转时停。
案例分析:现场通电检查,室内机有时电源指示灯灭,定时指示灯闪。卸下室外机外壳,测得接线端子板输出电压正常,判断制冷系统压力正常,按顺序从易到难继续检査。当检査功率继电器线圈插件时,发现内部烧蚀。
维修方法:用什锦铿修好烧蚀处,并用95%的酒精擦光,3min后接好插件,通电试机,室外机间断停机故障排除。
例5:海尔MRV-KTR-28Q四面出风嵌入式空调器室外压缩机不运转。
案例分析:卸开室外机外壳,测量端子板1、2端有220V交流电压输出。测量功率模块N、P端有310V直流电压输出。说明功率块良好,用尖嘴钳将电控板从固定塑料夹取下,用万用表Rx1k。挡测量电控板电阻,发现其开路。
维修方法:更换一个电阻后,通电试机,室外机不运转故障排除,恢复制冷。
例6:海尔MRV-KTR-36Q四面出风嵌入式空调器室外压缩机及风机均不启动。
案例分析:卸下室外机外壳,测量室外机接线端子板电压正常,说明电压信号传输良好。测量功率模块N、P端有310V直流电压,说明功率模块良好。检査电控板电流互感器的二次线圈,阻值为20kQ,说明其二次线圈有故障,互感器无输出,芯片判断不到电流信号,从而进入保护状态。
维修方法:由于在市场上没有购买到配件,根据海尔技术维修中心推荐,代换一个海尔MRV空调器KTR-28Q电控板,室外机不运转故障排除。
例7:海尔MRV-KTR-36Q四面出风嵌入式空调器制冷2h后,室、内外机均停机。
案例分析:卸下室内机外壳,检査电控板上各插件牢固,测量各元件参数正常。
维修方法:更换一个电控板,试机故障。
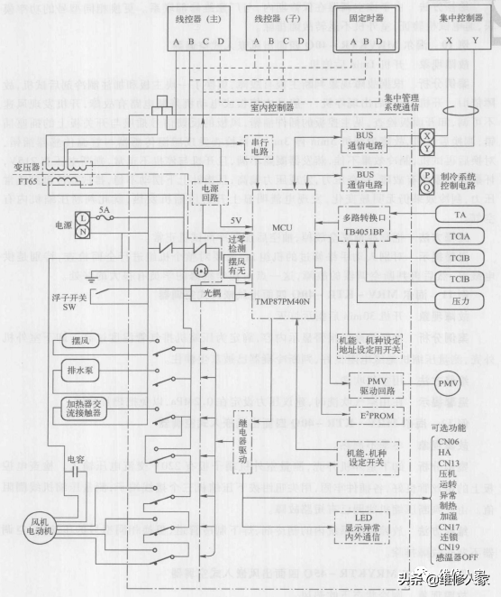
温馨提示:海尔MRV空调器TMP87PM40N控制板控制电路如下图所示。
例8:海尔MRVKTR-36Q四面出风嵌入式空调器室外压缩机不运转。
维修方法:更换相同型号的功率模块,通电试机,室外压缩机不运转故障排除。
温馨提示:更换功率模块时,切不可将新模块接近有电磁波或用带静电的物体接触模块,特别是信号端的插口,否则极易引起功率模块内部击穿,导致无法使用,这一点希望引起维修人员的注意。

例9:海尔MRV-KTR-36Q四面出风嵌入式空调器室外机不工作。
案例分析:卸下室外机外壳,测量室外机接线端子板有电压输入,检査电控板各插件牢固,按顺序从易到难继续检査。用尖嘴钳拔下变频器功率模块的V-U-W的连接导线。测量UV、VW、WU之间的电压不等,由此判定变频功率模块损坏。
维修方法:由于该空调器在保修期内,与厂家维修部联系。更换相同型号的功率模块,通电试机验证,室外机不运转故障排除。
例10:海尔MRVKTR-40Q四面出风嵌入式空调器开机1min后停机。
维修方法:把制冷剂完全放掉,抽空后加制冷剂试机正常。
温馨提示:对别人动手维修过的机组,首先要对整个机组进行全面检査,特别是供电线路,然后再判断空调器的故障,这一点对初学维修的学员有很大的好处。
例11:海尔MRV-KTR-40Q四面出风嵌入式空调器开机30min后指示灯灭。
案例分析:根据故障灯报警显示内容,确定为压缩机排气管温度过高。卸下室外机外壳,测量压缩机绝缘电阻良好,判断冷凝器已被灰尘糊住。
维修方法:用空气吹洗。
温馨提示:在用空气吹洗时,建议压力设定在0.2MPa,以免把翅片吹倒。
例12:海尔MRV-KTR-40Q四面出风嵌入式空调器冬季不制热。
案例分析:卸下室外机外壳,测量室外机端子板有220V交流电压输入。检査电控板上的熔丝管良好,各插件牢固,用尖咀钳拔下压缩机三个接线端子,测量压缩机线圈阻值。由此判断压缩机线圈已有短路故障。
维修方法:放掉制冷系统内的制冷剂,焊下制冷管道、更换相同型号的压缩机,空调器不制热故障排除。
例13:海尔MRVKTR-45Q四面出风嵌入式空调器制冷状态下吹热风。
案例分析:产生此种故障的原因有三点:
①室内机输出错误的控制信号;
②室外机的控制板出现混乱;
③四通阀的阀体损坏。仔细观察该机组在安装时,曾加长过连接管和连接线,怀疑连接线接头处有故障,找到接头处一看,果然是接头未处理好,导致接头处绝缘值下降,输送给室外机的信号发出错乱,造成室外机处于制热工作模式。
维修方法:做好绝缘防水措施,试机,空调器制冷正常。
温馨提示:此种故障是由于安装人员在安装时马虎造成的。
海尔MRV空调器配线方法如图:

版权声明:本站所有作品(图文、音视频)均由用户自行上传分享,仅供网友学习交流,不声明或保证其内容的正确性,如发现本站有涉嫌抄袭侵权/违法违规的内容。请举报,一经查实,本站将立刻删除。