电磁炉是一种利用电磁感应(涡流)原理进行加热的电炊具,使用电磁炉可以进行煎、炒、烹、炸等多项烹调功能,使用非常方便。
随着生活水平不断提高和技术的不断发展,电磁炉的样式和功能也逐渐趋向于多样化。
一、电磁炉的种类
1、按样式分类
电磁炉根据其样式分类主要分为台式电磁炉和嵌入式电磁炉两种,如下图所示,其中台式电磁炉是目前应用最为广泛的电磁炉,是一个单个的个体,占用面积较小。嵌入式电磁炉主要采用嵌入的方式安装在橱柜内,使电磁炉的灶台与橱柜面形成一个平面,使得厨房整体更加美观。

2、按灶台数量分类
电磁炉按灶台数量不同主要分为单灶台电磁炉、双灶台电磁炉、多灶台电磁炉以及混合用电磁炉,下图所示为不同数量的灶台电磁炉。其中,单灶台电磁炉是目前应用最为广泛的电磁炉。

3、按工作原理分类
电磁炉按其工作原理主要分为低频电磁炉和高频电磁炉两种,低频电磁炉是直接使用频率为50Hz的交流电,通过感应线圈产生交变磁场而进行工作,其结构较简单、成本较低、性能稳定。
而高频电磁炉是将50Hz的低频交流电通过整流后输出直流电,然后再经谐振和驱动控制电路将直流电流转换成振荡频率为20〜50kHz的高频电流,再输送给感应线圈,产生交变磁场,实现加热工作。高频电磁炉与低频电磁炉相比,具有重量轻、噪声小、热效率高等特点。目前,主要流行的是高频电磁炉。
二、电磁炉的外形结构
下图所示为典型的电磁炉外形结构图,从图中可以看到电磁炉的上盖、底座、灶台面板、操作面板、铭牌标志和散热口等。

1、灶台面板
电磁炉的灶台面板与电磁炉其他外壳部分结构不同,它多采用高强度、耐冲击、耐高温的陶瓷或适应微晶材料制成,在加热状态下热膨胀系数小,可径向传播热量。电磁炉的灶台面板多为圆形和方形两种,并且其面板的花色也有所不同,主要有印花板、白板和黑色面板等。

2、操作面板
电磁炉的操作面板上一般都设有电源开关按键、温度指示灯、功能开关按键、显示屏等,而且新型的电磁炉操作面板中还设有火力调节旋钮,可以更加方便地选择加热火力。

用户可以通过操作面板的按键实现对电磁炉的工作控制,通过显示屏可以显示出电磁炉的工作状态。
3、散热口
电磁炉的散热口位于电磁炉的底部。电磁炉内部产生的热量可以通过散热风扇的作用,由散热口及时排出,降低炉内的温度,利于电磁炉的正常工作。

4、铭牌标志
电磁炉的品牌、型号、功率、产地等,都通过其铭牌标志进行表示,下图所示为电磁炉的铭牌标志。通过铭牌标志主要是了解其供电电压和最大输入功率,以便了解家庭中的电源能否提供其消耗功率。

三、电磁炉的工作原理
电磁炉主要是利用电磁感应原理进行加热的电热炊具,通过给线圈中加入高频电源,会在周围空间产生磁场,在磁场范围内如有铁磁性物质,就会在其中产生高频涡流,由于涡流的作用,铁磁性物质就会发热,将铁磁性材料制造的锅放到线圈上就可以进行炊饭,如图所示。

电磁炉中,炉盘线圈为感应加热线圈(简称为加热线圈)。它在电路的驱动下形成高频交变的电流,并根据电磁感应的原理,交变电流通过加热线圈时便产生出交变的磁场,即线圈中的电流变化会产生变化的磁力线,对铁质的软磁性灶具(锅)的底部形成了许多由磁力线感应出的涡流,这些涡流通过灶具本身的阻抗将电能转化为热能,从而实现对食物的加热。
1、电磁炉的电源供电及功率输出电路

电源电压通过滤波电路滤波后送入电磁炉的电路中,经过整流电路通过桥式整流堆将交流220V升压至300V,为炉盘线圈提供工作电压。电磁炉通过直流供电电路将交流220V输出直流低电压为电磁炉中的低电压电路提供工作电压。
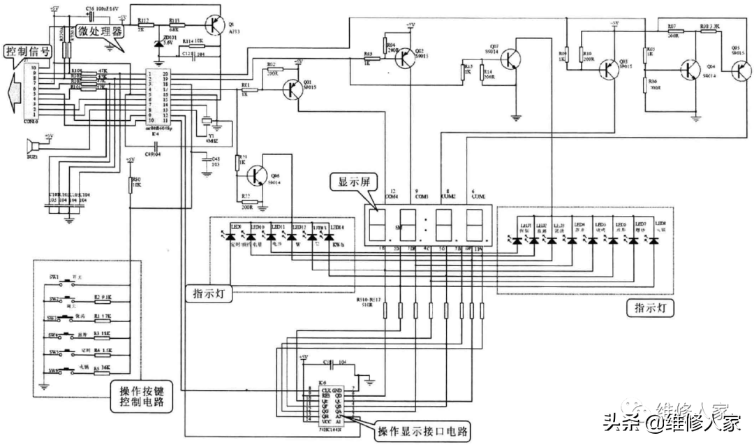
2、电磁炉的操作显示控制电路

用户通过操作面板将人工指令输入到电磁炉操作显示控制电路中,操作显示控制电路将人工指令输入到微处理器中,微处理器通过数据线接口将控制信号输送到电源供电及功率输出电路中,并通过显示屏与温度指示灯将此时电磁炉的工作状态进行显示。
版权声明:本站所有作品(图文、音视频)均由用户自行上传分享,仅供网友学习交流,不声明或保证其内容的正确性,如发现本站有涉嫌抄袭侵权/违法违规的内容。请举报,一经查实,本站将立刻删除。